Products
Application
Reference
Quality
Support
News
About Us
Login

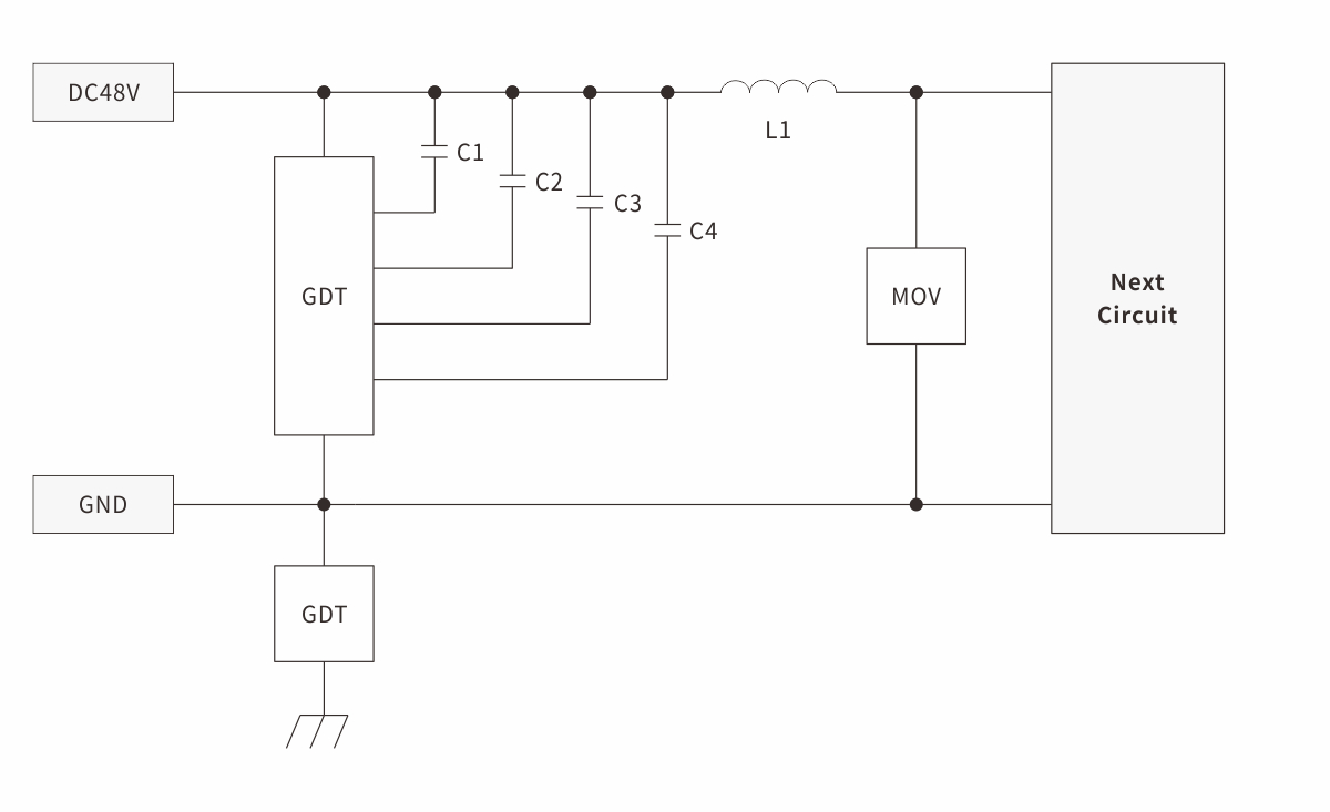
DC48V-20KA

Build Semiware into your application circuit

Summary Circuit Diagram Documents Others

Summary

48V DC power supply systems are widely used in communication equipment, electric vehicles, industrial control, charging piles, etc. Its operating voltage is higher than the common 12V/24V system, so it has higher voltage stress and energy tolerance requirements when encountering surges.

Test Level:
8/20μs CM/DM 20KA

Application Circuit Diagram

Find products and reference designs suitable for your system

DC48V-20KA

Other Related

DC3.3V DC24V DC12V-2KV DC12V-4KV Vbus-2.5V Vbus-1.2V/1.5V DC60V-4KV DC110V-4KV DC9V DC12V-6KV DC48V-2KA DC48V-3KA DC5V-Surge DC5V-ESD DC110V-6KV